
Распечатать
Витрина кондитерская Carboma ВХСв-1,3д Cube Люкс ТЕХНО
Витрина кондитерская Carboma ВХСв-1,3д Cube Люкс ТЕХНО
Характеристики
Описание
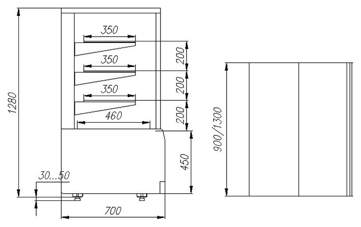
Кондитерская витрина Carboma ВХСв-1,3д Cube Люкс ТЕХНО используется на предприятиях общественного питания и торговли для демонстрации, охлаждения и кратковременного хранения тортов, десертов из сливок, пирожных и других кондитерских изделий. Модель оснащена 4-х сторонним стеклопакетом, 3 охлаждаемыми стеклянными полками и регулируемыми ножками высотой от 30 до 50 мм. Нижний уровень выполнен из оцинкованной стали серебристого цвета, раздвижные задние створки - из оргстекла. Корпус покрыт пенополиуретановой теплоизоляцией.
Особенности:
- Динамическая система охлаждения
- Электронное управление с индикацией температуры
- Автоматическая разморозка ТЭНом
- Холодильный агрегат: Danfoss / Aspera
- Теплообменники: Danfoss, Tecumseh
- Хладагент: R134a
- Выпариватель
- LED-подсветка полок
Дополнительные характеристики:
- Полезный объем: 0,28 м3
- Охлаждаемая площадь: 1,86 м2
- Размер полки: 1230х350 мм
- Размер нижней зоны выкладки: 1236х460 мм
- Потребление электроэнергии за сутки: 8 кВт/ч
- Установленная суммарная мощность: 0,7 кВт
- Габариты в упаковке: 1510-1540х810-830х1450 мм
- Объём упаковки: 1,85 м3
Показать полностью
Свернуть описание
Вес товара: 170 кг
Габариты (ДxШxВ):
1300 x 700 x 1280 мм
Отзывы о товаре
Напиши отзыв первым!
Документация1
17:32:45 - 04.05.2026
18:23:43 - 01.05.2026
17:32:45 - 04.05.2026
17:32:45 - 04.05.2026








